アイボルト・つりボルト

特徴
アイボルトは頭部に丸い穴があり、ひもをかけたりフックを取り付けるなどして、重い品物や機械類の吊り上げなどに利用されます。破断したりリングに変形が生じないよう、保証荷重が定められています。機械器具類の吊り上げなど、一般の荷役に使用されます。
施工方法は一緒ですが吊り方が2種類あります。1箇所1本で垂直に吊る垂直吊りと、2箇所2本使用の45°吊りの方法もありますが、使用荷重は全く変わりません。
アイボルトは縦方向(垂直)に吊ることが条件であるため、横に付けて使用してはいけません。
アイボルトの代表的なサイズ
<単位 mm>
| ねじの呼び | M8 | M10 | M12 | M16 | M20 | M24 | M30 | M36 |
|---|---|---|---|---|---|---|---|---|
| リングの外径 | 32.6 | 41 | 50 | 60 | 72 | 90 | 110 | 133 |
| リングの内径 | 20 | 25 | 30 | 35 | 40 | 50 | 60 | 70 |
| リングの高さ | 33.3 | 41.5 | 51 | 60 | 71 | 90 | 110 | 131.5 |
| 呼び長さ | 15 | 18 | 22 | 27 | 30 | 38 | 45 | 55 |
| 使用荷重(垂直づり)kN | 0.785 | 1.47 | 2.16 | 4.41 | 6.18 | 9.23 | 14.7 | 22.6 |
※ECサイトでも取り扱いが御座います。サイズ表をクリックして下さい。
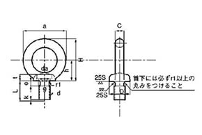
アイボルトの規格表
<単位 mm>
| ねじの呼び(d) | a | b | c | D | t | h | H (参考) |
I | 使用荷重KN(kgf) | 重量1個約kg | |||
|---|---|---|---|---|---|---|---|---|---|---|---|---|---|
| 垂直づり | 45度づり (2個につき) |
||||||||||||
| M6(L=12 | 26 | 16 | 5 | 13 | 4.9 | 13.5 | 26.5 | 12.4 | 0.588 | (60) | 0.588 | (60) | 0.016 |
| M8(L=15 | 32.6 | 20 | 6.3 | 16 | 5 | 17 | 33.3 | 15.0 | 0.785 | (80) | 0.785 | (80) | 0.03 |
| M10(L=18 | 41 | 25 | 8 | 20 | 7 | 21 | 41.5 | 18.0 | 1.47 | (150) | 1.5 | (150) | 0.06 |
| M12(L=22 | 50 | 30 | 10 | 25 | 9 | 26 | 51 | 22 | 2.16 | (220) | 2.16 | (220) | 0.12 |
| M14(L=27 | 60 | 35 | 12.5 | 30 | 11 | 30 | 60 | 27 | 4.41 | (450) | 3.23 | (330) | 0.22 |
| M16(L=27 | 60 | 35 | 12.5 | 30 | 11 | 30 | 60 | 27 | 4.41 | (450) | 4.41 | (450) | 0.22 |
| M18(L=30 | 72 | 40 | 16 | 35 | 13 | 35 | 71 | 30 | 6.18 | (630) | 5.29 | (540) | 0.385 |
| M20(L=30 | 72 | 40 | 16 | 35 | 13 | 35 | 71 | 30 | 6.18 | (630) | 6.18 | (630) | 0.385 |
| M24(L=38 | 90 | 50 | 20 | 45 | 18 | 45 | 90 | 38 | 9.32 | (950) | 9.3 | (950) | 0.80 |
| M30(L=45 | 110 | 60 | 25 | 60 | 22 | 55 | 110 | 45 | 14.7 | (1,500) | 14.7 | (1,500) | 1.56 |
| M36(L=55 | 133 | 70 | 31.5 | 70 | 26 | 65 | 131.5 | 55 | 22.6 | (2,300) | 22.6 | (2,300) | 2.90 |
※ECサイトでも取り扱いが御座います。サイズ表をクリックして下さい。
-
アイボルト(ナット付
-
アイボルト
-
アイボルト(ウィット)
-
アイボルト(細目
-
アイボルト(足長
-
アイボルト(足長・ウィット)
-
アイボルト(輸入品)
-
アイボルト(輸入品・ウィット)
-
フックアイボルト(ミリねじ
-
フックアイボルト(ブねじ
-
アイボルト(ミリねじ)
-
回転アイボルト(ミリねじ
-
回転アイボルト(ブねじ
-
アイボルト(ブねじ)
-
ロングアイボルト(ミリねじ
-
ロングアイボルト(ブねじ
-
K型ロングアイボルト(ミリねじ
-
つば付ロングアイボルト(ミリねじ
-
つば付ロングアイボルト(ブねじ
-
ウルトラロングアイボルト(M)
-
ウルトラロングアイボルト(W)
-
アイボルト(ロストワックス製・ミリ
-
アイボルト(鍛造製(ひめじや
-
アイボルトロストワックス製ウィット
-
ロングアイボルト(A型(ひめじや
-
ロングアイボルト(B型(ひめじや
-
つばなしロングアイボルト(ひめじや
-
つばなしロングアイボルト・L(ひめ
-
つばなしアイボルト(左ねじひめじや
-
つばなしアイボルト(右ねじひめじや
-
アイボルト(鍛造(ミリ
-
ダウンサイジング アイボルト
-
アイボルト(静香産業製
-
アイボルト(足長・輸入品)

