バインド小ねじ

特徴
頭が台形で、上面に丸みがつけられています。
同じ呼び径のなべ小ねじに比べて、1.1~1.2倍ていど頭の径が大きくなっています。
材料に対して接地面を大きくすることができるので、座面の陥没を防ぐ効果があります。
電線などを締め付けるのに便利なように、座面にくぼみがあるものもあります。
なべとトラスの中間といったような形ですので、トラスでは頭部の径が大きすぎる場合に使われることもあります。
なべと同様、幅広く使うことができる小ねじです。
用途
一般的な締結に用います。頭の径が大きいので、座面の陥没を防ぐ効果があるほか、締め付ける材料の取り付け穴を隠すのにも便利です。なべ小ねじより、ややスマートな印象があるため、強度などにこだわらなければ、見た目で選んでもよいでしょう。
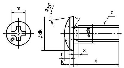
■頭の形の特徴
ここで、これまでに見てきた小ねじを比べてみましょう。
左からなべ、皿、丸皿、トラス、バインドで、サイズはM6×20(バインドのみM6×15)です。
頭が平らな皿や、トラスの座面の広さなど、こうしてみると、それぞれの頭の形の特徴がよくわかりますね。
用途事例
■プラグのバインド小ねじ
プラグを開いてみると、バインド小ねじが使われていました。
導電性に優れる黄銅製と思われます。
■プリンター 裏のバインド小ねじ
プリンターの裏をのぞいてみたら、バインド小ねじで締められていました。
本体のガワを固定するのにも使われています。
バインド小ねじの種類
| 小ねじの種類 | 呼びの範囲 | 材料 |
|---|---|---|
| すりわり付きバインド小ねじ | M2~M8 | 鋼、ステンレス、黄銅 鋼小ねじの強度区分は4.8、8.8 |
| 十字穴付きバインド小ねじ | M2~M8 |
バインド小ねじの代表的なサイズ
<単位 mm>
| ねじの呼び | M2 | M2.5 | M3 | M4 | M5 | M6 | M8 |
|---|---|---|---|---|---|---|---|
| 頭部の径 | 4 | 5 | 6 | 8 | 10 | 12 | 16 |
| 頭部の高さ | 1.6 | 2 | 2.45 | 3.2 | 4 | 4.8 | 6.2 |
| 呼び長さ | 5~20 | 6~30 | 6~40 | 8~50 | 10~50 | 12~60 | 14~60 |
| ドライバーのサイズ | 1 | 2 | 3 | ||||
※ECサイトでも取り扱いが御座います。サイズ表をクリックして下さい。
バインド小ねじの規格表
※ECサイトでも取り扱いが御座います。サイズ表をクリックして下さい。
| ねじの呼び(d) | ピッチ | 十字穴 | dk | K | f | f+k | m | q | |||||
|---|---|---|---|---|---|---|---|---|---|---|---|---|---|
| 基準寸法 | 許容差 | 基準寸法 | 許容差 | 基準寸法 | 許容差 | 基準寸法 | 許容差 | 参考 | 最小 | 最大 | |||
| M2 | 0.4 | 1 | 4.3 | 0 -0.4 |
0.85 | 0.35 | ±0.1 | 1.2 | ±0.15 | 2.2 | 1.01 | 0.65 | |
| M2.3 | 0.4 | 4.9 | 1 | 0.4 | 1.4 | 2.4 | 1.21 | 0.85 | |||||
| M2.5 | 0.45 | 5.3 | 1 | 0.5 | 1.5 | 2.5 | 1.32 | 0.95 | |||||
| M2.6 | 0.45 | 5.5 | 1.1 | 0.5 | 1.6 | 2.6 | 1.42 | 1.05 | |||||
| M3 | 0.5 | 2 | 6.3 | 0 -0.5 |
1.3 | 0.6 | ±0.15 | 1.9 | ±0.2 | 2.9 | 1.53 | 1.01 | |
| M3.5 | 0.6 | 7.3 | 1.5 | 0.7 | 2.2 | 4 | 1.83 | 1.30 | |||||
| M4 | 0.7 | 8.3 | 1.7 | 0.8 | 2.5 | 4.3 | 2.13 | 1.60 | |||||
| M5 | 0.8 | 10.3 | 0 -0.6 |
2.1 | 1 | 3.1 | 5.0 | 2.83 | 2.29 | ||||
| M6 | 1.0 | 3 | 12.4 | 0 -0.7 |
2.4 | 1.3 | ±0.2 | 3.7 | ±0.3 | 6.3 | 2.86 | 2.31 | |
| M8 | 1.25 | 16.4 | 0 -0.8 |
3.1 | 1.7 | 4.8 | 7.8 | 4.36 | 3.78 | ||||





