ナベ小ねじ

特徴・形状
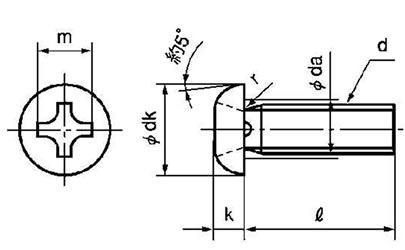
十字穴付きなべ小ねじJIS B 1111(cross recessed pan head screws)
最も多く使われている、代表的な小ねじです。
十字に切れた穴に、上面の角に丸みを持たせた形状をしています。
頭に厚みがあり高さがあるのでドライバーとしっかりかみ合い、強く締め付けることができます。
用途
これといって決まった用途はありません。いろいろな場所で使われていますが、小ねじ自体のサイズが12mmまでしかないので、小さな部品の締結などに使われています。
用途事例
■パソコンに使用されているねじ
パソコン本体のケースに使用されています。写真には外装部に使われていますが内部にも、たくさん使用されています。
ネジの中では比較的安価で手に入りやすく、色目やサイズなどが豊富です。
幅広い用途に使用されています。この写真のネジのメッキはユニクロを使用しております。
■自転車のねじ
自転車にはねじがたくさん使われています。これはそのひとつ。
後部車輪につける鍵を固定しています。
この写真のネジはステンレスを使用しております。
■電気スタンドのなべ小ねじ
電気スタンドの脚に見つけたなべ小ねじ。
このねじの締め付け具合で、アームの動くかたさが変わる、調節機能を担っています。
主な小ねじ一覧
-
(+)ナベ小ねじ(全ねじ
最も多く使われている代表的な小ねじです。
-
(+)ナベ小ねじ(WH
頭とワッシャーが一体の形状をしている。
-
(+)旧JISナベ小ねじ
ISOに統合されるまで製造されていたネジ。
-
(+)UNC(PAN
ユニファイの並目ネジ
-
(+)UNF(PAN
ユニファイの細目ネジ
-
(+)ナベ小ねじ(細目)
ピッチが細かいため、保持力が高い。
-
(+)ナベ小ねじJISー1996
頭部やや大きめ。
-
(+-)ナベ小ねじ
(+)、(—)ドライバーも両方使える。
-
(+)ナベ小ねじ(ねじ部50
高さや距離がある所に使用される。
-
(+)ナベ小ねじ(ねじ部100
なべ小ねじ材質・強度
| 小ねじの種類 | 呼びの範囲 | 材料 |
|---|---|---|
| すりわり付きなべ小ねじ | M1~M8 | 鋼、ステンレス、黄銅 鋼小ねじの強度区分は4.8、8.8 |
| 十字穴付きなべ小ねじ | M2~M8 |
なべ小ねじの代表的なサイズ
<単位 mm>
| ねじの呼び | M2 | M2.5 | M3 | M4 | M5 | M6 | M8 |
|---|---|---|---|---|---|---|---|
| 頭部の径 | 3.5 | 4.5 | 5.5 | 7 | 9 | 10.5 | 14 |
| 頭部の高さ | 1.3 | 1.7 | 2 | 2.6 | 3.3 | 3.9 | 5.2 |
| 呼び長さ | 4~20 | 5~30 | 5~40 | 6~50 | 8~50 | 8~60 | 10~60 |
| ドライバーのサイズ | 1 | 2 | 3 | ||||
※ECサイトでも取り扱いが御座います。サイズ表をクリックして下さい。
なべ小ねじの規格表
※ECサイトでも取り扱いが御座います。サイズ表をクリックして下さい。
| ねじの呼び(d) | ピッチ | 十字穴 | dk | K | m | ||
|---|---|---|---|---|---|---|---|
| 基準寸法 | 許容差 | 基準寸法 | 許容差 | 参考 | |||
| M2 | 0.4 | 1 | 3.5 | 0 -0.4 |
1.3 | ±0.1 | 2.2 |
| (M2.3) | 0.4 | 4 | 1.5 | 2.4 | |||
| M2.5 | 0.45 | 4.5 | 1.7 | 2.6 | |||
| (M2.6) | 0.45 | 4.5 | 1.7 | 2.6 | |||
| M3 | 0.5 | 2 | 5.5 | 0 -0.5 |
2 | ±0.15 | 3.6 |
| (M3.5) | 0.6 | 6 | 2.3 | 3.9 | |||
| M4 | 0.7 | 7 | 2.6 | 4.2 | |||
| M5 | 0.8 | 9 | 0 -0.6 |
3.3 | 4.9 | ||
| M6 | 1 | 3 | 10.5 | 0 -0.7 |
3.9 | ±0.2 | 6.3 |
| M8 | 1.25 | 14 | 0 -0.8 |
5.2 | 7.8 | ||
| M10 | 1.5 | 4 | 19 | 0 -1.5 |
6 | ±1 | 9.4 |

