マイナスねじ

特徴
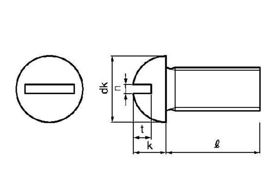
頭部のネジ穴が横一本の溝になっております。マイナスドライバーを使用して締結します。
プラスネジより歴史は古く、15世紀ごろには既にありました。
マイナスドライバーはずれてしまって回しにくくなるということから、プラスネジにどんどんと切り替わってきました。
しかし、プラスネジは汚れなどが詰まるなど弱点があり、今は互いを補うといった点から共存しています。
コイン等で締結することも可能で、その便利さなどでも重宝されております。
頭部形状は3点です。
丸小ねじの頭は半球に近い形で、現在のトラス小ねじに似ています。
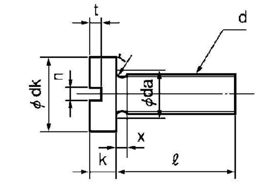
平小ねじは、たけが低い円筒形の頭です。
つくり方が簡単なため、かつてよくつくられていました。
これら2つの小ねじは、現在ほとんど流通しておらず、入手することは大変困難です。
マイナスねじ
マイナスねじの代表的なサイズ
丸小ねじ
<単位 mm>
| ねじの呼び | M2 | M2.5 | M3 | M4 | M5 | M6 | M8 |
|---|---|---|---|---|---|---|---|
| 頭部の径 | 3.5 | 4.5 | 5.5 | 7 | 9 | 10.5 | 14 |
| 頭部の高さ | 1.3 | 1.7 | 2 | 2.6 | 3.4 | 4 | 5.4 |
| 呼び長さ | 4~20 | 5~30 | 5~40 | 6~50 | 8~50 | 8~60 | 10~60 |
※ECサイトでも取り扱いが御座います。サイズ表をクリックして下さい。
●平小ねじ
<単位 mm>
| ねじの呼び | M2 | M2.5 | M3 | M4 | M5 | M6 | M8 |
|---|---|---|---|---|---|---|---|
| 頭部の径 | 3.5 | 4.5 | 5.5 | 7 | 9 | 10.5 | 14 |
| 頭部の高さ | 1.3 | 1.7 | 2 | 2.6 | 3.3 | 3.9 | 5.2 |
| 呼び長さ | 4~20 | 5~30 | 5~40 | 6~50 | 8~50 | 8~60 | 10~60 |
※ECサイトでも取り扱いが御座います。サイズ表をクリックして下さい。
マイナスねじの規格表
(-)丸小ねじ
| ねじの呼び(d) | ピッチ P |
dk | k | n | t | ||||
|---|---|---|---|---|---|---|---|---|---|
| 基準寸法 | 許容差 | 基準寸法 | 許容差 | 基準寸法 | 許容差 | 基準寸法 | 許容差 | ||
| M6 | 1.0 | 10.5 | 0 -0.7 |
4.0 | 1.2 | ±0.2 0 |
1.4 | ±0.25 | |
| M8 | 1.25 | 14 | 0 -0.8 |
5.4 | 1.6 | 1.8 | ±0.3 | ||
| M10 | 1.5 | 16 | 7.0 | 約2 | 約4 | ||||
| M12 | 1.75 | 19 | 8.0 | ||||||
※ECサイトでも取り扱いが御座います。サイズ表をクリックして下さい。
平小ねじ
| ねじの呼び(d) | ピッチ P |
dk | k | n | t | ||||
|---|---|---|---|---|---|---|---|---|---|
| 基準寸法 | 許容差 | 基準寸法 | 許容差 | 基準寸法 | 許容差 | 基準寸法 | 許容差 | ||
| M3 | 0.5 | 5.5 | 0 -0.5 |
2 | ±0.15 | 0.8 | +0.15 0 |
1.1 | ±0.15 |
| M4 | 0.7 | 7 | 2.6 | 1 | 1.4 | ±0.2 | |||
| M5 | 0.8 | 9 | 0 -0.6 |
3.3 | 1.2 | +0.2 0 |
1.8 | ±0.3 | |
| M6 | 1.0 | 10.5 | 0 -0.7 |
3.9 | +0.2 | 1.2 | 2.1 | ||
| M8 | 1.25 | 14 | 0 -0.8 |
5.2 | 1.6 | 2.8 | ±0.5 | ||
※ECサイトでも取り扱いが御座います。サイズ表をクリックして下さい。
















