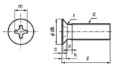
小頭の皿小ねじ

特徴
小ねじと似た頭の形をしていますが、皿の上部分が削られてしまったような形をしています。
その分、頭の径が小さくなっているので、通常の皿が使えない狭い溝のようなところでも使うことができます。
窓枠のサッシなどに使われることから「サッシねじ」とも呼ばれます。サッシと色を合わせるため、頭部が黒く塗装されているものもあります。
サッシに使われることから「サッシ」ねじとも呼ばれる。
用途
皿小ねじと同じく、取り付ける材料と段差がない状態にするには、頭の形状に合わせたザグリ加工を、あらかじめ材料に施すことが必要です。
頭が小さいので、ザグリ加工が小さくてすむため、薄板に適しています。
もちろんサッシ以外にも使うことができますが、頭部が小さい分、材料との接地面積が減り、締め付け力が弱くなってしまうので注意が必要です。
小頭の皿小ねじ(左)と通常の皿小ねじ(右)。皿の開く角度はほぼ同じです。
小頭の皿小ねじの代表的なサイズ
<単位 mm>
| ねじの呼び | M3 | M4 | M5 | M6 | M8 |
|---|---|---|---|---|---|
| 頭部の径 | 5.0 | 6.0 | 8.0 | 10.0 | 12.0 |
| 頭部の高さ | 1.3 | 1.4 | 1.9 | 2.4 | 2.6 |
| 呼び長さ | 4~20 | 4~50 | 6~50 | 8~50 | 12~50 |
※ECサイトでも取り扱いが御座います。サイズ表をクリックして下さい。











