座金組み込みねじ

特徴
緩み止めや、座面の陥没を防ぐために使われる座金を、予めネジに組み込んだものです。
ねじ山を転造する前に座金を組み込むため、座金がネジから外れなくなります。座金を入れる手間や、コロコロと落ちてなくしてしまう煩わしさがなくなり、作業効率を上げることができます。また、座金の組み込みねじ忘れも防止できます。 セムスとも呼ばれます。
座金の内径が小さめなのでネジ山から外れにくい構造になっています。
用途
緩み止めや、座面が部材に陥没することを防ぐなど、通常の座金と同じような効果が期待できます。
平座金だけのものや、平座金とばね座金と組み合わせなど、さまざまな種類があるので、目的に応じて選ぶことができます。座金が1枚だけのものをシングルセムス、2枚組み込んだものをダブルセムスといいます。
座金を組み込んだねじの種類
組込まれているワッシャーの代表的なものはJ、IS規格(頭文字がP)とISO規格が(頭文字がI)あります。ワッシャーの外径・厚みが異なります。
ネジログ|ワッシャーの規格
| ねじの種類 | 組み込む座金の種類 | 規格番号 |
|---|---|---|
| 十字穴付き小ねじ (なべ、トラス、バインド) |
平座金、ばね座金、外歯形歯付き座金、皿ばね座金 ばね座金と平座金、外歯形歯付き座金と平座金 |
JIS B 1188 |
| 十字穴付き小ねじ (皿、丸皿) |
皿形歯付き座金 | |
| タッピンねじ | 平座金 | JIS B 1129 |
| 六角ボルト | 平座金、ばね座金、外歯形歯付き座金、皿ばね座金 ばね座金と平座金、外歯形歯付き座金と平座金 |
JIS B 1187 |
座金組み込み十字穴付き小ねじの代表的なサイズ
<単位 mm>
| ねじの呼び | M2 | M2.5 | M3 | M4 | M5 | M6 | M8 | |
|---|---|---|---|---|---|---|---|---|
| 頭部の径 | 3.5 | 4.5 | 5.5 | 7 | 9 | 10.5 | 14 | |
| 頭部の高さ | 1.3 | 1.7 | 2 | 2.6 | 3.3 | 3.9 | 5.2 | |
| 座面からねじ部までの長さ | 平座金 | 1.1 | 1.4 | 1.5 | 2.3 | 2.7 | 3.7 | 4.2 |
| ばね座金 | 1.8 | 2.1 | 2.4 | 3.5 | 4.3 | 5.1 | 6.7 | |
| ばね座金+平座金 | 2.1 | 2.7 | 3 | 4.4 | 5.4 | 6.9 | 8.4 | |
| 呼び長さ | 5~20 | 5~25 | 6~30 | 8~35 | 10~40 | 12~50 | 16~50 | |
※ECサイトでも取り扱いが御座います。サイズ表をクリックして下さい。
組み込まれている座金の呼称と種類
<単位 mm>
種別![]() |
写真(一例) | 組み込まれているワッシャーの種類 | ネジクル内呼称 | |||||||
|---|---|---|---|---|---|---|---|---|---|---|
| JIS平W | JIS小型平W | ISO平W | ISO小型平W | SW | スパック | 外歯W | 内歯W | |||
| JIS平W(平座金) | ![]() |
○ | P=1 | |||||||
| SW(バネ座金) | ![]() |
○ | P=2 | |||||||
| SW+JIS平W | ![]() |
○ | ○ | P=3 | ||||||
| SW+JIS小型平W | ![]() |
○ | ○ | P=4 | ||||||
| JIS小型平W | ![]() |
○ | PK=1 | |||||||
| ISO平W | ![]() |
○ | I=1 | |||||||
| ISO小型平W | ![]() |
○ | IK=1 | |||||||
| SW+ISO平W | ![]() |
○ | ○ | I=3 | ||||||
| SW+ISO小型平W | ![]() |
○ | ○ | I=4 | ||||||
| スパック(波形状) | ![]() |
○ | SP=2 | |||||||
| スパック+JIS平W | ![]() |
○ | ○ | SP=3 | ||||||
| 外歯W | ![]() |
○ | LO=2 | |||||||
※ECサイトでも取り扱いが御座います。サイズ表をクリックして下さい。
座金組み込みねじの規格表
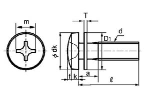
十字穴付き小ねじ : なべ
| ねじの呼び | 小ねじ本体 | 平座金 D1×T |
a | ||||
|---|---|---|---|---|---|---|---|
| dk | k | 十字穴 | |||||
| 十字穴番号 | m(参考) | ||||||
| M2 | 3.5 | 0-0.4 | 1.3±0.1 | 1 | 2.2 | 6×0.4 | 1.1 |
| (M2.3) | 4 | 0-0.4 | 1.5±0.1 | 1 | 2.4 | 7×0.15 | |
| (M2.6) | 4.5 | 0-0.4 | 1.7±0.1 | 1 | 2.6 | 7.5×0.5 | |
| M3 | 5.5 | 0-0.5 | 2±0.15 | 2 | 3.6 | 8×0.5 | 1.5 |
| (M3.5) | 6 | 0-0.5 | 2.3±0.15 | 2 | 3.9 | 9×0.5 | 1.7 |
| M4 | 7 | -0.5 | 2.6±0.15 | 2 | 4.2 | 10×0.8 | 2.3 |
| M5 | 9 | 0-0.6 | 3.3±0.15 | 2 | 4.9 | 12×0.8 | 2.7 |
| M6 | 10.5 | 0-0.7 | 3.9±0.2 | 3 | 6.3 | 13×1 | 3.7 |
| M8 | 14 | 0-0.8 | 5.2±0.2 | 3 | 7.8 | 18×1.6 | 4.2 |
※ECサイトでも取り扱いが御座います。サイズ表をクリックして下さい。
十字穴付き小ねじ : バインド
| ねじの呼び | 小ねじ本体 | 平座金 D1×T |
a | ||||
|---|---|---|---|---|---|---|---|
| dk | k+f | 十字穴 | |||||
| 十字穴番号 | m(参考) | ||||||
| M2 | 4.3 | 0-0.4 | 1.2±0.15 | 1 | 2.2 | 6×0.4 | 1.2 |
| M3 | 6.3 | 0-0.5 | 1.9±0.15 | 2 | 3.7 | 8×0.5 | 1.5 |
| M4 | 8.3 | 0-0.5 | 2.5±0.15 | 2 | 4.3 | 10×0.8 | 2.3 |
| M5 | 10.3 | 0-0.6 | 3.1±0.15 | 2 | 5.0 | 12×0.8 | 2.5 |
| M6 | 12.4 | 0-0.7 | 3.7±0.2 | 3 | 6.3 | 13×1.0 | 3.1 |
※ECサイトでも取り扱いが御座います。サイズ表をクリックして下さい。
-
(+)ナベP=1
-
(+)ナベP=2
-
(+)ナベP=3
-
(+)ナベP=4
-
(+)ナベPK=1
-
(+)ナベI=1
-
(+)ナベI=3
-
(+)ナベI=4
-
(+)ナベIK=1
-
(+)ナベLO=2
-
(+)ナベLI=2
-
(+)ナベSP=2(SPAK
-
(+)ナベSP=3(SPAK
-
(+)ナベSP=4(SPAK
-
(+)アプセットP=1
-
(+)アプセットP=2
-
(+)アプセットP=3
-
(+)アプセットP=4
-
(+)アプセットPD=3
-
(+)アプセットI=1
-
(+)アプセットI=3
-
(+)アプセットI=4
-
(+)アプセットLO=2
-
(+)アプセットLI=2
-
(+-)アプセットP=1
-
(+)小形アプセットP=2
-
(+)小形アプセットP=3
-
(+)アプセットSP=4
-
(+-)ナベP=1
-
(+-)ナベP=2
-
(+-)ナベP=3
-
(+-)ナベP=4
-
(+-)ナベPK=1
-
(+-)ナベI=3
-
(+)トラス P=1
-
(+)トラス P=2
-
(+)トラス P=3
-
(+)バインドP=1
-
(+)バインドP=2
-
(+)バインドP=3














