止めねじ

特徴
ねじ部の先を相手の部材に押しつけて、ものを固定するためのねじです。ねじ部しかないような形をしていますが、すりわりや六角穴、四角頭などが付いています。
ねじ先は、平先、とがり先、くぼみ先、棒先、ダブルポイントなどの種類が豊富にあります。
イモねじと呼ばれることも多く、六角穴付き止めねじにはホーローセットという呼び方もあります。
ホーロセットのとがり先と棒先の使い分けする理由は何なのでしょうか?
【平先】平先とは部材を傷つけないので繰り返し使用される場所に使用されます。
【とがり先】とがり先とは相手部材に食い込んで止まるため、決められた位置で半永久的に使用する場合に使用します。
【棒先】棒先とは相手部材に隙間があるか棒先用の穴を開けて締結する場合の使用に向いています。
【丸先】平面でない場所に使用されます。
用途
モーターのシャフトにギアを固定するなど、棒状のものに何かを固定する場合によく使われます。細かい位置決めや、変更ができます。すりわり付きや六角穴付き止めねじは頭部がないので、部材は同一面で埋め込むことができます。
用途事例
■ギアを取り付けるための止めねじ
モーターのシャフトに取り付けるために使われている止めねじ。止めねじを使うことで、ギアの位置を微妙に調整することができます。また、頭が飛び出ないので、スペースのないところでもじゃまになることがありません。
■すりわり付き止めねじ
くぼみ先のすりわり付き止めねじです。
■ポスターフレームの止めねじ
ポースターフレームの組み立てに使われている止めねじ。背面に出っ張らないので、壁っにぴったりとくっつけて飾ることができます。
止めねじの種類
| ねじの種類 | 頭部の形状 | 材料 | 規格番号 |
|---|---|---|---|
| すりわり付き止めねじ | 鋼、ステンレス鋼 | 平先、とがり先、棒先、くぼみ先、丸先 | JIS B 1117 |
| 四角止めねじ | JIS B 1118 | ||
| 六角穴付き止めねじ | 平先、とがり先、棒先、くぼみ先 | JIS B 1177 |
六角穴付き止めねじの代表的なサイズ
<単位 mm>
| ねじの呼び | M1.6 | M2 | M3 | M4 | M5 | M6 | M8 |
|---|---|---|---|---|---|---|---|
| 六角穴の呼び | 0.7 | 0.9 | 1.5 | 2 | 2.5 | 3 | 4 |
| 呼び長さ | 2~8 | 2~10 | 3~16 | 4~20 | 5~25 | 6~30 | 8~40 |
止めねじの規格表
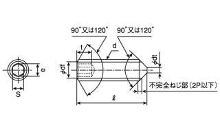
六角穴付き止めねじ(ホーローセット):平先
<単位 mm>
| ねじの呼び(d) | M1.6 | M2 |
M2.5 (2.6) |
M3 | M4 | M5 | M6 | M8 | M10 | M12 | M16 | ||
|---|---|---|---|---|---|---|---|---|---|---|---|---|---|
| ピッチ(P) | 0.35 | 0.4 | 0.45 | 0.5 | 0.7 | 0.8 | 1.0 | 1.25 | 1.50 | 1.75 | 2.0 | ||
| dp | 最大 (基準寸法) |
0.8 | 1.0 | 1.5 | 2.0 | 2.5 | 3.5 | 4.0 | 5.5 | 7.0 | 8.5 | 12.0 | |
| 最小 | 0.55 | 0.75 | 1.25 | 1.75 | 2.25 | 3.2 | 3.7 | 5.2 | 6.64 | 8.14 | 11.57 | ||
| df | 約 | おねじの谷径 | |||||||||||
| e | 最小 | 0.803 | 1.003 | 1.427 | 1.73 | 2.30 | 2.87 | 3.44 | 4.58 | 5.72 | 6.86 | 9.15 | |
| s | 呼び (基準寸法) |
0.7 | 0.9 | 1.3 | 1.5 | 2.0 | 2.5 | 3.0 | 4.0 | 5.0 | 6.0 | 8.0 | |
| 最小 | 0.711 | 0.889 | 1.270 | 1.520 | 2.020 | 2.520 | 3.020 | 4.020 | 5.020 | 6.020 | 8.025 | ||
| 最大 | 0.724 | 0.902 | 1.295 | 1.545 | 2.045 | 2.560 | 3.080 | 4.095 | 5.095 | 6.095 | 8.115 | ||
| t | 最小 | 1欄 | 0.7 | 0.8 | 1.2 | 1.2 | 1.5 | 2.0 | 2.0 | 3.0 | 4.0 | 4.8 | 6.4 |
| 2欄 | 1.5 | 1.7 | 2.0 | 2.0 | 2.5 | 3.0 | 3.5 | 5.0 | 6.0 | 8.0 | 10.0 | ||
※ECサイトでも取り扱いが御座います。サイズ表をクリックして下さい。
六角穴付き止めねじ(ホーローセット):とがり先
<単位 mm>
| ねじの呼び(d) | M1.6 | M2 |
M2.5 (2.6) |
M3 | M4 | M5 | M6 | M8 | M10 | M12 | M16 | ||
|---|---|---|---|---|---|---|---|---|---|---|---|---|---|
| ピッチ(P) | 0.35 | 0.4 | 0.45 | 0.5 | 0.7 | 0.8 | 1.0 | 1.25 | 1.50 | 1.75 | 2.0 | ||
| dt | 最大 | 0.16 | 0.2 | 0.25 | 0.3 | 0.4 | 0.5 | 1.5 | 2.0 | 2.5 | 3.0 | 4.0 | |
| 最小 | (4) | 0.9 | 1.4 | 1.9 | 2.4 | 3.25 | |||||||
| df | 約 | おねじの谷径 | |||||||||||
| e | 最小 | 0.803 | 1.003 | 1.427 | 1.73 | 2.30 | 2.87 | 3.44 | 4.58 | 5.72 | 6.86 | 9.15 | |
| s | 呼び (基準寸法) |
0.7 | 0.9 | 1.3 | 1.5 | 2.0 | 2.5 | 3.0 | 4.0 | 5.0 | 6.0 | 8.0 | |
| 最小 | 0.711 | 0.889 | 1.270 | 1.520 | 2.020 | 2.520 | 3.020 | 4.020 | 5.020 | 6.020 | 8.025 | ||
| 最大 | 0.724 | 0.902 | 1.295 | 1.545 | 2.045 | 2.560 | 3.080 | 4.095 | 5.095 | 6.095 | 8.115 | ||
| t | 最小 | 1欄 | 0.7 | 0.8 | 1.2 | 1.2 | 1.5 | 2.0 | 2.0 | 3.0 | 4.0 | 4.8 | 6.4 |
| 2欄 | 1.5 | 1.7 | 2.0 | 2.0 | 2.5 | 3.0 | 3.5 | 5.0 | 6.0 | 8.0 | 10.0 | ||
※ECサイトでも取り扱いが御座います。サイズ表をクリックして下さい。
-
HS(平先
-
HS平先ー細目
-
HS(アンスコ製(平先
-
HS(HOEI(平先
-
HS(永井精密(平先
-
HS(トガリ先
-
HS(アンスコ製(トガリ先
-
HS(HOEI(トガリ先
-
HS(永井精密(トガリ先
-
HS(ASK(旭精密(トガリ先
六角穴付き止めねじ(ホーローセット):棒先
<単位 mm>
| ねじの呼び(d) | M1.6 | M2 | M2.5 (2.6) |
M3 | M4 | M5 | M6 | M8 | M10 | M12 | M16 | ||
|---|---|---|---|---|---|---|---|---|---|---|---|---|---|
| ピッチ(P) | 0.35 | 0.4 | 0.45 | 0.5 | 0.7 | 0.8 | 1.0 | 1.25 | 1.50 | 1.75 | 2.0 | ||
| dp | 最大 (基準寸法) |
0.8 | 1.1 | 1.5 | 2 | 2.5 | 3.5 | 4 | 5.5 | 7 | 8.5 | 12 | |
| 最小 | 0.55 | 0.75 | 1.25 | 1.75 | 2.25 | 3.2 | 3.7 | 5.2 | 7 | 8.5 | 12 | ||
| df | 約 | おねじの谷径 | |||||||||||
| e | 最小 | 0.803 | 1.003 | 1.427 | 1.73 | 2.30 | 2.87 | 3.44 | 4.58 | 5.72 | 6.86 | 9.15 | |
| s | 呼び (基準寸法) |
0.7 | 0.9 | 1.3 | 1.5 | 2.0 | 2.5 | 3.0 | 4.0 | 5.0 | 6.0 | 8.0 | |
| 最小 | 0.711 | 0.889 | 1.270 | 1.520 | 2.020 | 2.520 | 3.020 | 4.020 | 5.020 | 6.020 | 8.025 | ||
| 最大 | 0.724 | 0.902 | 1.295 | 1.545 | 2.045 | 2.560 | 3.080 | 4.095 | 5.095 | 6.095 | 8.115 | ||
| t | 最小 | 1欄 | 0.7 | 0.8 | 1.2 | 1.2 | 1.5 | 2.0 | 2.0 | 3.0 | 4.0 | 4.8 | 6.4 |
| 2欄 | 1.5 | 1.7 | 2.0 | 2.0 | 2.5 | 3.0 | 3.5 | 5.0 | 6.0 | 8.0 | 10.0 | ||
| Z2 | 短い棒先 | 最小 | 0.4 | 0.5 | 0.63 | 0.75 | 1.0 | 1.25 | 1.5 | 2.0 | 2.75 | 3.0 | 4.0 |
| 最大 | 0.65 | 0.75 | 0.88 | 1.0 | 1.25 | 1.5 | 1.75 | 2.25 | 2.75 | 3.25 | 4.3 | ||
| 長い棒先 | 最小 | 0.8 | 1.0 | 1.25 | 1.5 | 2.0 | 2.5 | 3.0 | 4.0 | 5.0 | 6.0 | 8.0 | |
| 最大 | 1.05 | 1.25 | 1.5 | 1.75 | 2.25 | 2.75 | 3.25 | 4.3 | 5.3 | 6.3 | 8.36 | ||
※ECサイトでも取り扱いが御座います。サイズ表をクリックして下さい。
六角穴付き止めねじ(ホーローセット):くぼみ先
<単位 mm>
| ねじの呼び(d) | M1.6 | M2 |
M2.5 (2.6) |
M3 | M4 | M5 | M6 | M8 | M10 | M12 | M16 | ||
|---|---|---|---|---|---|---|---|---|---|---|---|---|---|
| ピッチ(P) | 0.35 | 0.4 | 0.45 | 0.5 | 0.7 | 0.8 | 1.0 | 1.25 | 1.50 | 1.75 | 2.0 | ||
| dz | 最大 (基準寸法) |
0.8 | 1.0 | 1.2 | 1.4 | 2.0 | 2.5 | 3.0 | 5.0 | 6.0 | 8.0 | 10.0 | |
| 最小 | 0.55 | 0.75 | 0.95 | 1.15 | 1.75 | 2.25 | 2.75 | 4.7 | 5.7 | 7.64 | 9.64 | ||
| df | 約 | おねじの谷径 | |||||||||||
| e | 最小 | 0.803 | 1.003 | 1.427 | 1.73 | 2.30 | 2.87 | 3.44 | 4.58 | 5.72 | 6.86 | 9.15 | |
| s | 呼び (基準寸法) |
0.7 | 0.9 | 1.3 | 1.5 | 2.0 | 2.5 | 3.0 | 4.0 | 5.0 | 6.0 | 8.0 | |
| 最小 | 0.711 | 0.889 | 1.270 | 1.520 | 2.020 | 2.520 | 3.020 | 4.020 | 5.020 | 6.020 | 8.025 | ||
| 最大 | 0.724 | 0.902 | 1.295 | 1.545 | 2.045 | 2.560 | 3.080 | 4.095 | 5.095 | 6.095 | 8.115 | ||
| t | 最小 | 1欄 | 0.7 | 0.8 | 1.2 | 1.2 | 1.5 | 2.0 | 2.0 | 3.0 | 4.0 | 4.8 | 6.4 |
| 2欄 | 1.5 | 1.7 | 2.0 | 2.0 | 2.5 | 3.0 | 3.5 | 5.0 | 6.0 | 8.0 | 10.0 | ||
※ECサイトでも取り扱いが御座います。サイズ表をクリックして下さい。
-
HS(棒先
-
HS(アンスコ製(棒先
-
HS(日産ネジ製(棒先
-
HS(ASK(旭精密(棒先
-
HS(クボミ先
-
HS(クボミ先(ウィット
-
HSクボミ先ー細目
-
HSクボミ先ー極細目
-
HS(TKS(東工舎(クボミ先
すりわり付き止めねじ(平先)
| 呼び径 | A | B |
|---|---|---|
| M1.4 | 0.35 | 0.45 |
| M1.7 | 0.4 | 0.6 |
| M2.0 | 0.4 | 0.75 |
| M2.6 | 0.5 | 0.8 |
※ECサイトでも取り扱いが御座います。サイズ表をクリックして下さい。





