木ねじ

特徴
名前の通り、木材に対して使われます。十字穴とすりわりがありますが、現在ではすりわりはほとんど見かけなくなりました。タッピンねじと同じように、下穴を開けて締めこんでいきます。締め付けるほど木材の中に入っていきますので、力加減に注意してください。
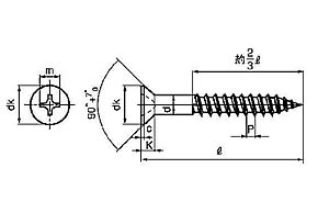
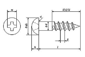
全長の2/3ていどくらいがねじ部になっています。中間に挟み込んだ材料にねじ山がかからないので、密着して締め付け力が強まるほか、戻り止めやガタつきを防止するとされています。
樹脂や金属にも使えるタッピンねじで木ねじの代用をすることは可能ですが、その逆はできません。
用途事例
■コーススレッド
木ねじと同じ木材用のねじとして、コーススレッドがあります。木ねじよりピッチが荒く、締結力が強いのが特徴です。長くて太いものが多く、電動のインパクトドライバーを使って締め込むため、下穴を必要としません。値段が安いため、建築現場ではよく使われていますが、一般的にはあまり使う機会はないでしょう。
■皿木ねじ
ドアのちょうつがいをとめている皿頭の木ねじ。
■すりわりの木ねじ
古いタンスに使われているすりわりの木ねじ。
木ねじの種類
| ねじの種類 | 頭部の形状 | 材料 | 規格番号 |
|---|---|---|---|
| 十字穴付き木ねじ | 丸、皿、丸皿 | 丸、皿、丸皿 | JIS B 1112 |
| すりわり付き木ねじ | JIS B 1135 |
十字穴付き皿木ねじの代表的なサイズ
| 呼び径 | 2.7 | 3.5 | 4.1 | 4.8 | 5.5 | 6.2 | 7.5 |
|---|---|---|---|---|---|---|---|
| 頭部の径 | 5.4 | 7 | 8.2 | 9.6 | 11 | 12.4 | 15 |
| 頭部の高さ | 1.55 | 2 | 2.35 | 2.7 | 3.05 | 3.5 | 4.15 |
| 呼び長さ | 10~20 | 13~40 | 16~50 | 20~70 | 20~80 | 25~80 | 25~100 |
木ねじの規格表
十字穴付き丸木ねじ
| 呼び径 | 1.6 | 1.8 | 2.1 | 2.4 | 2.7 | 3.1 | 3.5 | 3.8 | 4.1 | 4.5 | 4.8 | 5.1 | 5.5 | 5.8 | 6.2 | 6.8 | 7.5 | 8 | 9.5 | |
|---|---|---|---|---|---|---|---|---|---|---|---|---|---|---|---|---|---|---|---|---|
| 十字穴番号 | - | - | 1 | 1 | 1 | 2 | 2 | 2 | 2 | 2 | 2 | 3 | 3 | 3 | 3 | 3 | 4 | 4 | 4 | |
| 基準寸法 | D | 3.0 | 3.3 | 3.9 | 4.4 | 5.0 | 5.7 | 6.5 | 7.0 | 7.6 | 8.3 | 8.9 | 9.4 | 10.2 | 10.7 | 11.5 | 12.6 | 13.9 | 14.8 | 17.6 |
| H | 1.3 | 1.4 | 1.6 | 1.8 | 2.0 | 2.3 | 2.5 | 2.7 | 2.9 | 3.1 | 3.3 | 3.5 | 3.8 | 4.0 | 4.2 | 4.6 | 5.0 | 5.3 | 6.3 | |
| R1 | 1.6 | 1.8 | 2.3 | 2.6 | 3.0 | 3.4 | 4.0 | 4.4 | 4.8 | 5.2 | 5.7 | 6.0 | 6.5 | 6.9 | 7.4 | 8.2 | 9.1 | 9.7 | 11.6 | |
| M | - | - | 2.5 | 2.7 | 2.9 | 3.7 | 3.9 | 4.1 | 4.3 | 4.5 | 4.7 | 5.9 | 6.1 | 6.3 | 6.6 | 6.9 | 8.4 | 8.7 | 9.7 | |
| 深さ最大 | - | - | 1.32 | 1.52 | 1.72 | 1.63 | 1.83 | 2.03 | 2.23 | 2.43 | 2.63 | 2.56 | 2.78 | 2.96 | 3.26 | 3.56 | 4.05 | 4.35 | 5.35 | |
| a | 0.4 | 0.6 | 0.6 | 0.7 | 0.8 | 0.9 | 1.0 | 1.0 | 1.2 | 1.2 | 1.3 | 1.4 | 1.4 | 1.6 | 1.6 | 1.6 | 1.8 | 1.8 | 2.0 | |
| b | 0.8 | 0.9 | 1.0 | 1.1 | 1.2 | 1.4 | 1.6 | 1.7 | 1.8 | 1.9 | 2.0 | 2.2 | 2.4 | 2.5 | 2.6 | 2.8 | 3.1 | 3.3 | 3.9 | |
| P | 0.8 | 0.9 | 1.0 | 1.1 | 1.2 | 1.3 | 1.4 | 1.6 | 1.8 | 1.9 | 2.1 | 2.2 | 2.4 | 2.6 | 2.7 | 3.1 | 3.3 | 3.3 | 3.8 | |
※ECサイトでも取り扱いが御座います。サイズ表をクリックして下さい。
十字穴付き皿木ねじ
| 呼び径 | 十字穴の番号 | d | dk | k | m | |||
|---|---|---|---|---|---|---|---|---|
| 基準寸法 | 許容差 | 基準寸法 | 許容差 | 基準寸法 | 許容差 | 最大 | ||
| 2.1 | 1 | 2.1 | ±0.07 | 4.2 | +0 -0.4 |
1.25 | +0 -0.2 |
2.5 |
| 2.4 | 2.4 | 4.8 | 1.4 | 2.7 | ||||
| 2.7 | 2.7 | 5.4 | 1.55 | 2.9 | ||||
| 3.1 | 2 | 3.1 | 6.2 | +0 -0.5 |
1.8 | +0 -0.3 |
3.8 | |
| 3.5 | 3.5 | ±0.1 | 7 | 2 | 4.2 | |||
| 3.8 | 3.8 | 7.6 | 2.15 | 4.5 | ||||
| 4.1 | 4.1 | 8.2 | 2.35 | 4.8 | ||||
| 4.5 | 4.5 | 9 | +0 -0.6 |
2.55 | 5.2 | |||
| 4.8 | 4.8 | ±0.12 | 9.6 | 2.7 | 5.4 | |||
| 5.1 | 3 | 5.1 | 10.2 | 2.85 | 6.4 | |||
| 5.5 | 5.5 | 11 | 3.05 | 6.7 | ||||
| 5.8 | 5.8 | 11.6 | +0 -0.7 |
3.2 | +0 -0.4 |
7 | ||
| 6.2 | 6.2 | 12.4 | 3.5 | 7.3 | ||||
| 8.0 | 4 | 8.0 | ±0.15 | 16 | +0 -0.8 |
4.4 | 9.3 | |
※ECサイトでも取り扱いが御座います。サイズ表をクリックして下さい。
十字穴付き丸皿木ねじ
| 呼び径 | 十字穴の番号 | d | dk | f+k | m | |||
|---|---|---|---|---|---|---|---|---|
| 基準寸法 | 許容差 | 基準寸法 | 許容差 | 基準寸法 | 許容差 | 最大 | ||
| 2.1 | 1 | 2.1 | ±0.07 | 4.2 | +0 -0.4 |
1.75 | +0 -0.2 |
2.7 |
| 2.4 | 2.4 | 4.8 | 2 | 2.9 | ||||
| 2.7 | 2.7 | 5.4 | 2.25 | 3.1 | ||||
| 3.1 | 2 | 3.1 | 6.2 | +0 -0.5 |
2.6 | +0 -0.5 |
3.9 | |
| 3.5 | 3.5 | ±0.1 | 7 | 2.8 | 4.3 | |||
| 3.8 | 3.8 | 7.6 | 3.05 | 4.6 | ||||
| 4.1 | 4.1 | 8.2 | 3.35 | 4.9 | ||||
| 4.5 | 4.5 | 9 | +0 -0.6 |
3.65 | 5.3 | |||
| 4.8 | 4.8 | ±0.12 | 9.6 | 3.8 | 5.5 | |||
| 5.1 | 3 | 5.1 | 10.2 | 4.05 | 6.5 | |||
| 5.5 | 5.5 | 11 | 4.35 | 6.8 | ||||
| 5.8 | 5.8 | 11.6 | +0 -0.7 |
4.6 | +0 -0.6 |
7.4 | ||
| 6.2 | 6.2 | 12.4 | 4.9 | 7.4 | ||||
| 8.0 | 4 | 8.0 | ±0.15 | 16 | +0 -0.8 |
6.2 | 9.5 | |
※ECサイトでも取り扱いが御座います。サイズ表をクリックして下さい。
















