(ー)旧JIS皿小ねじ
※皿ネジは頭部を含む全長が長さになります。
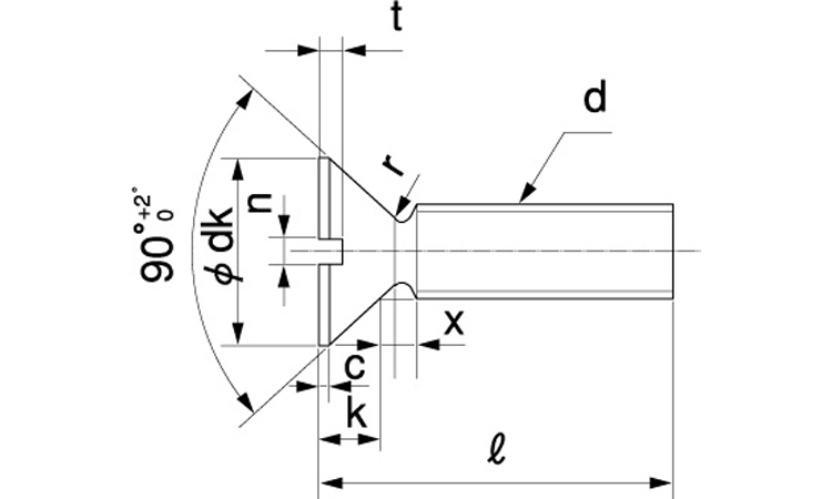
上面が平らで座面が円錐形という形状の頭をしています。
呼び長さを表すとき、ほかのねじでは軸の部分の長さを表すことが多いのですが、皿小ねじでは頭からの長さを表しますので、同じ呼び長さのほかのねじより、短く見えることがあります。"
頭部を出っ張らせたくないとき、締結する部材と面一にしたいときに使います。
ただし、座面の円錐形に合わせた「ザグリ加工」を、あらかじめ部材に施すことが必要です。この加工が不十分だと、頭部が出っ張ってしまいします。ザグリ加工は「皿もみ」とも呼ばれます。
ネジログ小ねじの規格|ネジの豆知識ネジログ
ネジの百科事典 | 皿小ねじ
ただし、座面の円錐形に合わせた「ザグリ加工」を、あらかじめ部材に施すことが必要です。この加工が不十分だと、頭部が出っ張ってしまいします。ザグリ加工は「皿もみ」とも呼ばれます。
ネジログ小ねじの規格|ネジの豆知識ネジログ
ネジの百科事典 | 皿小ねじ
(ー)旧JIS皿小ねじ
2件あります
在庫更新日時:2026/01/13 03:00
| 商品名 商品コード |
材質 | 表面処理 |
サイズ 径+長さ(ℓ) |
バラ売り |
在庫
在庫とは小箱もしくはバラ1本はある状態です。更新日時を参照してください。
|
代替品
代替品とは
「代替品」の「あり」をクリックすると、「代替品一覧」へ移動します。
|
小箱入数
|
小箱単価
小箱でお買い上げの際の 1本あたりの価格です。 税込/税抜
|
カートに入れる
カートとは「カートに入れる」ボタンをクリックすると数量入力画面が表示されます。バラ・小箱・大箱の単位も確認できます。
|
|---|---|---|---|---|---|---|---|---|---|
|
(ー)旧JIS皿小ねじ
000101110040010000 |
黄銅 | 生地 | 4 X 10 | あり | なし | 1,000 | 18.65円 16.96円 | ||
|
(ー)旧JIS皿小ねじ
000101110040030000 |
黄銅 | 生地 | 4 X 30 | 品薄 | なし | 400 | 37.44円 34.04円 |
2件あります






