ABー262ー1
防水平面スイングハンドル(インジケーター付)
特徴
● インジケータが付いていますので、鍵の「開」「閉」状態が一目でわかります。
● 「開」→赤、「閉」→緑の表示となっています。
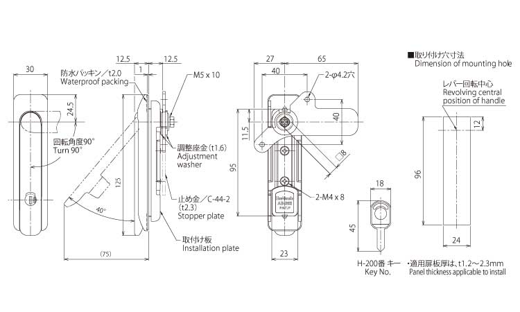
● 仮止めが可能なので、取付の作業が簡易です。
● 本体裏面のパッキン等、防水仕様となっています。
● 左右兼用設計(左右の変更は、止め金と調整座金を裏返して下さい)
材質
● 亜鉛合金(ZDC)
表面処理
● サチライトクロムめっき
用途
● 配電盤・分電盤・制御盤・その他各種BOX
備考
● キー番号/H200
注意事項
※ 本製品の止め金取付け用ネジは、緩み防止のため「緩み防止剤」の塗布を推奨します。
特徴
● インジケータが付いていますので、鍵の「開」「閉」状態が一目でわかります。
● 「開」→赤、「閉」→緑の表示となっています。
● 仮止めが可能なので、取付の作業が簡易です。
● 本体裏面のパッキン等、防水仕様となっています。
● 左右兼用設計(左右の変更は、止め金と調整座金を裏返して下さい)
材質
● 亜鉛合金(ZDC)
表面処理
● サチライトクロムめっき
用途
● 配電盤・分電盤・制御盤・その他各種BOX
備考
● キー番号/H200
注意事項
※ 本製品の止め金取付け用ネジは、緩み防止のため「緩み防止剤」の塗布を推奨します。
ABー262ー1
1件あります
在庫更新日時:2026/01/16 03:00
| 商品名 商品コード |
材質 | 表面処理 |
サイズ 径+長さ(ℓ) |
バラ売り |
在庫
在庫とは小箱もしくはバラ1本はある状態です。更新日時を参照してください。
|
代替品
代替品とは
「代替品」の「あり」をクリックすると、「代替品一覧」へ移動します。
|
小箱入数
|
小箱単価
小箱でお買い上げの際の 1本あたりの価格です。 税込/税抜
|
カートに入れる
カートとは「カートに入れる」ボタンをクリックすると数量入力画面が表示されます。バラ・小箱・大箱の単位も確認できます。
|
|---|---|---|---|---|---|---|---|---|---|
|
ABー262ー1
6400H0200001000000 |
鉄 | クローム(銀) | AB-262-1 | 要確認 | なし | 1 | 5,093円 4,630円 |
1件あります






