ABー703ー1
L型防水ハンドル
特徴
● 安心の防水機構 (0リングと、シートパッキンによる防水機構 JIS C0920‐1982 4.5適合品)
● ウエストが少しくびれた、握りやすい形状(エルゴフォルム)は、手によくフィットし、レバー操作が確実に行える。
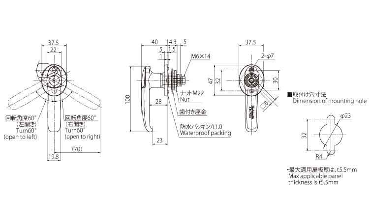
● オーバル形状の取付ベースは、場所を選ばない省スペースデザイン。 材質
● 亜鉛合金(ZDC)
表面処理
● クロムめっき
用途
● 屋外キュービクル・配電盤・分電盤・制御盤・その他各種BOX 備考
● キー番号/H200
● H500番タイプのキーシリンダーも取りそろえております。(鍵違いタイプもあります。)
注意事項
※本製品の止め金取付け用ネジは、緩み防止のため「緩み防止剤」の塗布を推奨します。
特徴
● 安心の防水機構 (0リングと、シートパッキンによる防水機構 JIS C0920‐1982 4.5適合品)
● ウエストが少しくびれた、握りやすい形状(エルゴフォルム)は、手によくフィットし、レバー操作が確実に行える。
● オーバル形状の取付ベースは、場所を選ばない省スペースデザイン。 材質
● 亜鉛合金(ZDC)
表面処理
● クロムめっき
用途
● 屋外キュービクル・配電盤・分電盤・制御盤・その他各種BOX 備考
● キー番号/H200
● H500番タイプのキーシリンダーも取りそろえております。(鍵違いタイプもあります。)
注意事項
※本製品の止め金取付け用ネジは、緩み防止のため「緩み防止剤」の塗布を推奨します。
ABー703ー1
1件あります
在庫更新日時:2026/01/18 03:00
| 商品名 商品コード |
材質 | 表面処理 |
サイズ 径+長さ(ℓ) |
バラ売り |
在庫
在庫とは小箱もしくはバラ1本はある状態です。更新日時を参照してください。
|
代替品
代替品とは
「代替品」の「あり」をクリックすると、「代替品一覧」へ移動します。
|
小箱入数
|
小箱単価
小箱でお買い上げの際の 1本あたりの価格です。 税込/税抜
|
カートに入れる
カートとは「カートに入れる」ボタンをクリックすると数量入力画面が表示されます。バラ・小箱・大箱の単位も確認できます。
|
|---|---|---|---|---|---|---|---|---|---|
|
ABー703ー1
6400H0470000000000 |
鉄 | クローム(銀) | AB-703-1 | 要確認 | なし | 1 | 3,985円 3,623円 |
1件あります






