皿キャップボルト(岸和田ステンレス製(並目
※皿ネジは頭部を含む全長が長さになります。
ネジ部確認の場合は問い合わせください
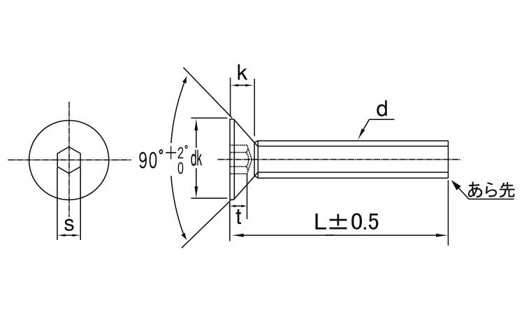
■六角穴付き皿ボルト-JIS B 1194-
頭の形が皿になっているので、出っ張りが気になるところでも使えます。すりわり付きボルトより、強く締め付けることができます。
また、六角穴付きボタンボルトと同じく、六角穴の大きさが六角穴付きボルトより小さめです。皿キャップとも呼ばれます。
特徴
円筒形の頭部に六角形の穴があいているボルトです。締め付けには、六角棒スパナ(六角レンチ)を使います。
ボルトとして扱われていますが、多くの場合、ナットと組まないで使われます。キャップスクリューやソケットスクリューとも呼ばれます。
六角ボルトを締め付けるつめのスパナやレンチは、作業するためのスペースを周りに必要としますが、六角棒スパナはスペースを必要としません。そのため、六角穴付きボルトを使うことで、狭い場所での作業や機械の小型化が可能です。
その見た目から、デザイン的な使われ方も増えています。
用途
省スペース化による装置の小型化や、高い締め付け力などのメリットがあり 幅広く使われています。特に機械や電気部品に多く用いられています。"
皿キャップボルト(岸和田ステンレス製(並目
1件あります
在庫更新日時:2026/01/11 03:00
| 商品名 商品コード |
材質 | 表面処理 |
サイズ 径+長さ(ℓ) |
バラ売り |
在庫
在庫とは小箱もしくはバラ1本はある状態です。更新日時を参照してください。
|
代替品
代替品とは
「代替品」の「あり」をクリックすると、「代替品一覧」へ移動します。
|
小箱入数
|
小箱単価
小箱でお買い上げの際の 1本あたりの価格です。 税込/税抜
|
カートに入れる
カートとは「カートに入れる」ボタンをクリックすると数量入力画面が表示されます。バラ・小箱・大箱の単位も確認できます。
|
|---|---|---|---|---|---|---|---|---|---|
|
皿キャップボルト(岸和田ステンレス製(並目
A002200S0050050000 |
ステンレス | 生地 | 5X50X50 | 品薄 | あり | 100 | 34.04円 30.95円 |
1件あります






