フランジステイブルナット(細目
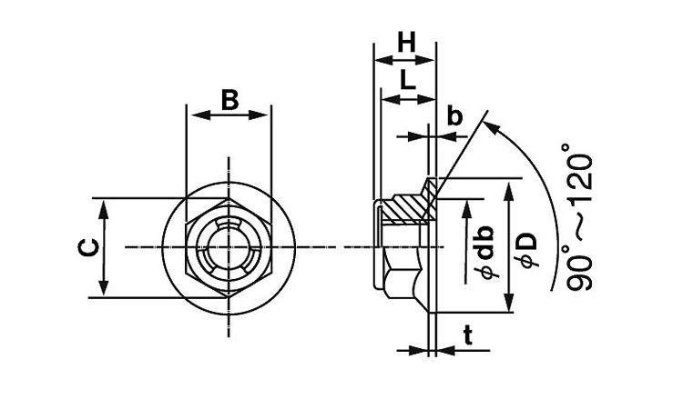
●カシメ加工によってナット上面にフリクションリング(金属板バネ)を結合しています。
フリクションリングはネジのリード角に沿った3枚羽根を持つことで、それぞれの羽根に均一な応力が発生します。
それに対する反力とともにネジ山を強圧し、安定した摩擦トルクを発生させます。
また、ねじのリード角に沿った立体感のある羽根にすることで、ボルトにねじ込む際のトルクを軽減させています。結果、羽根がねじ山の下をくぐり、不良取り付けが起こらないような構造となっています。
NAS式高速ねじゆるみ試験機での試験においても優秀な結果を収めております。
●セレートはついておりません。
レンチサイズ(ミリ)規格|ネジの豆知識ネジログ
フリクションリングはネジのリード角に沿った3枚羽根を持つことで、それぞれの羽根に均一な応力が発生します。
それに対する反力とともにネジ山を強圧し、安定した摩擦トルクを発生させます。
また、ねじのリード角に沿った立体感のある羽根にすることで、ボルトにねじ込む際のトルクを軽減させています。結果、羽根がねじ山の下をくぐり、不良取り付けが起こらないような構造となっています。
NAS式高速ねじゆるみ試験機での試験においても優秀な結果を収めております。
●セレートはついておりません。
レンチサイズ(ミリ)規格|ネジの豆知識ネジログ
フランジステイブルナット(細目
1件あります
在庫更新日時:2026/01/13 03:00
| 商品名 商品コード |
材質 | 表面処理 |
サイズ 径+長さ(ℓ) |
バラ売り |
在庫
在庫とは小箱もしくはバラ1本はある状態です。更新日時を参照してください。
|
代替品
代替品とは
「代替品」の「あり」をクリックすると、「代替品一覧」へ移動します。
|
小箱入数
|
小箱単価
小箱でお買い上げの際の 1本あたりの価格です。 税込/税抜
|
カートに入れる
カートとは「カートに入れる」ボタンをクリックすると数量入力画面が表示されます。バラ・小箱・大箱の単位も確認できます。
|
|---|---|---|---|---|---|---|---|---|---|
|
フランジステイブルナット(細目
N00202490100000000 |
ステンレス | 生地 | M10(P1.25 | 品薄 | なし | 200 | 194円 177円 |
1件あります






