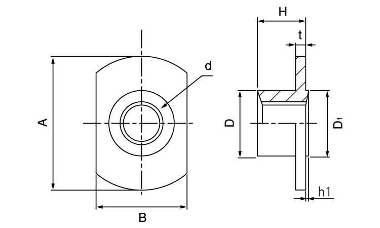
T型溶接ナット(2A(JIS細目
T型溶接ナット(2A(JIS細目
1件あります
在庫更新日時:2026/01/19 03:00
| 商品名 商品コード |
材質 | 表面処理 |
サイズ 径+長さ(ℓ) |
バラ売り |
在庫
在庫とは小箱もしくはバラ1本はある状態です。更新日時を参照してください。
|
代替品
代替品とは
「代替品」の「あり」をクリックすると、「代替品一覧」へ移動します。
|
小箱入数
|
小箱単価
小箱でお買い上げの際の 1本あたりの価格です。 税込/税抜
|
カートに入れる
カートとは「カートに入れる」ボタンをクリックすると数量入力画面が表示されます。バラ・小箱・大箱の単位も確認できます。
|
|---|---|---|---|---|---|---|---|---|---|
|
T型溶接ナット(2A(JIS細目
N00004870100000000 |
鉄 | 生地 | M10(P1.25 | あり | なし | 150 | 36.43円 33.12円 |
1件あります






