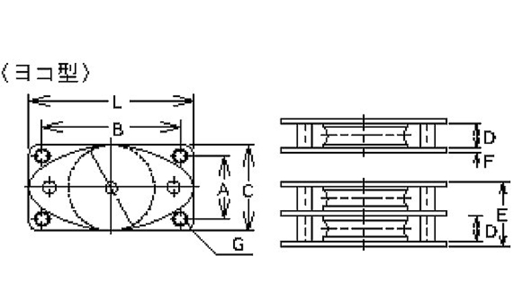
固定ブロック(横型 ふじわら製
固定ブロック(横型 ふじわら製
2件あります
在庫更新日時:2026/01/12 03:00
| 商品名 商品コード |
材質 | 表面処理 |
サイズ 径+長さ(ℓ) |
バラ売り |
在庫
在庫とは小箱もしくはバラ1本はある状態です。更新日時を参照してください。
|
代替品
代替品とは
「代替品」の「あり」をクリックすると、「代替品一覧」へ移動します。
|
小箱入数
|
小箱単価
小箱でお買い上げの際の 1本あたりの価格です。 税込/税抜
|
カートに入れる
カートとは「カートに入れる」ボタンをクリックすると数量入力画面が表示されます。バラ・小箱・大箱の単位も確認できます。
|
|---|---|---|---|---|---|---|---|---|---|
|
固定ブロック(横型 ふじわら製
Q10206120100000000 |
ステンレス | 生地 | K50-10 | 要確認 | なし | 1 | 12,846円 11,679円 | ||
|
固定ブロック(横型 ふじわら製
Q10206120120000000 |
ステンレス | 生地 | K50-12 | 要確認 | なし | 1 | 26,485円 24,078円 |
2件あります






