プラ バリアス(白)
●本体ねじ部は、強化プラスチック製です。●結露防止に抜群の効果を発揮します。
●錆の心配はありません。●型枠解体後の釘は簡単に引抜き処理が出来ます。
●釘を1本づつ打込まなくてもインサートヘッドを叩くだけでセットできます。
1.墨出し位置にインサートを正確に設置します。
2.インサートヘッドをハンマーで垂直に叩込みます。
3.ボルトは緩みのないよう最後までねじ込んで下さい。
▲施工上の注意
・インサート打込み時の振動により本体が浮き上がる場合が有ります。
コンクリート打設前に本体の浮上がりが無いか必ずご確認ください。
・諸条件により釘が天井に残る場合が有ります、ペンチ等で引抜いてください。"
●錆の心配はありません。●型枠解体後の釘は簡単に引抜き処理が出来ます。
●釘を1本づつ打込まなくてもインサートヘッドを叩くだけでセットできます。
取付手順

1.墨出し位置にインサートを正確に設置します。
2.インサートヘッドをハンマーで垂直に叩込みます。
3.ボルトは緩みのないよう最後までねじ込んで下さい。
▲施工上の注意
・インサート打込み時の振動により本体が浮き上がる場合が有ります。
コンクリート打設前に本体の浮上がりが無いか必ずご確認ください。
・諸条件により釘が天井に残る場合が有ります、ペンチ等で引抜いてください。"
プラ バリアス(白)
1件あります
在庫更新日時:2026/01/15 03:00
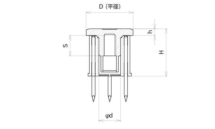
| 商品名 商品コード |
材質 | 表面処理 |
サイズ 径+長さ(ℓ) |
バラ売り |
在庫
在庫とは小箱もしくはバラ1本はある状態です。更新日時を参照してください。
|
代替品
代替品とは
「代替品」の「あり」をクリックすると、「代替品一覧」へ移動します。
|
小箱入数
|
小箱単価
小箱でお買い上げの際の 1本あたりの価格です。 税込/税抜
|
カートに入れる
カートとは「カートに入れる」ボタンをクリックすると数量入力画面が表示されます。バラ・小箱・大箱の単位も確認できます。
|
|---|---|---|---|---|---|---|---|---|---|
|
プラ バリアス(白)
U10017518030030000 |
鉄 | 生地 | PV-3030 | 要確認 | なし | 1 | 194円 177円 |
1件あります






