10-1.端子ネジ 角座 規格
関連リンク
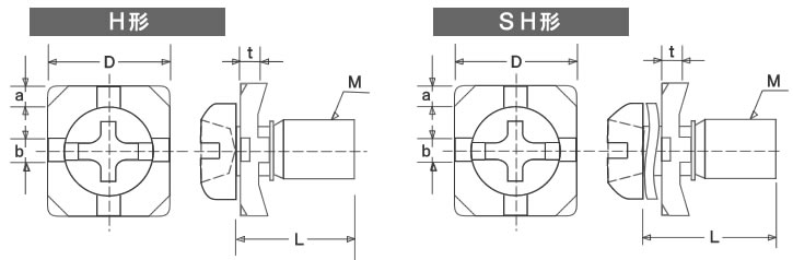
正方形で線押さえ(b部)は対辺方向についています。
| 呼び | ネジクル 角座番号 |
メーカー 角座番号 |
D | t | H | a | b |
|---|---|---|---|---|---|---|---|
| M2.5 | (0) | H2.5-0 | 4.8 (0 -0.2) | 0.8 | 1.1 (0 +0.2) | 1.4 | 1.2 |
| M3 | (0) | H3-0 | 5.8 (0 -0.2) | 1.0 | 1.4 (0 +0.2) | 1.2 | 1.2 |
| (1) | H3-1 | 6.1 (0 -0.2) | 0.8 | 1.2 (0 +0.2) | 1.2 | 1.2 | |
| (2) | H3-2 | 6.1 (0 -0.2) | 1.0 | 1.2 (0 +0.2) | 1.2 | 1.2 | |
| (3) | H3-3 | 6.2 (0 -0.2) | 1.2 | 1.4 (0 +0.2) | 1.2 | 1.2 | |
| (4) | H3-4 | 6.8 (0 -0.2) | 1.0 | 1.4 (0 +0.2) | 1.2 | 1.2 | |
| (5) | H3-5 | 7.0 (0 -0.2) | 1.0 | 1.4 (0 +0.2) | 1.0 | 1.0 | |
| (6) | H3-6 | 7.4 (0 -0.2) | 1.0 | 1.4 (0 +0.2) | 1.2 | 1.6 | |
| (7) | H3-7 | 7.8 (0 -0.2) | 1.0 | 1.5 (0 +0.2) | 1.2 | 1.6 | |
| (8) | H3-8 | 8.1 (0 -0.2) | 1.0 | 1.4 (0 +0.2) | 1.2 | 1.5 | |
| (9) | H3-9 | 8.7 (0 -0.2) | 1.0 | 1.6 (0 +0.2) | 1.6 | 1.6 | |
| M3.5 | (0) | H3.5-0 | 6.0 (0 -0.2) | 1.2 | 1.6 (0 +0.2) | 1.2 | 1.2 |
| (1) | H3.5-1 | 6.4 (0 -0.2) | 1.2 | 1.6 (0 +0.2) | 0.8 | 1.0 | |
| (2) | H3.5-2 | 6.5 (0 -0.2) | 1.2 | 1.7 (0 +0.2) | 0.8 | 1.2 | |
| (3) | H3.5-3 | 6.7 (0 -0.2) | 1.0 | 1.4 (0 +0.2) | 1.2 | 1.2 | |
| (4) | H3.5-4 | 7.0 (0 -0.2) | 1.0 | 1.4 (0 +0.2) | 1.2 | 1.2 | |
| (5) | H3.5-5 | 7.1 (0 -0.2) | 1.2 | 1.6 (0 +0.2) | 0.8 | 1.2 | |
| (6) | H3.5-6 | 7.4 (0 -0.2) | 1.2 | 1.6 (0 +0.2) | 1.2 | 1.6 | |
| (7) | H3.5-7 | 7.8 (0 -0.2) | 1.0 | 1.5 (0 +0.2) | 1.2 | 1.6 | |
| (8) | H3.5-8 | 8.8 (0 -0.2) | 1.2 | 1.8 (0 +0.2) | 1.6 | 1.6 | |
| (9) | H3.5-9 | 8.4 (0 -0.2) | 1.2 | 1.8 (0 +0.2) | 1.6 | 1.6 | |
| M4.0 | (0) | H4-0 | 7.8 (0 -0.2) | 1.0 | 1.4 (0 +0.2) | 1.2 | 1.6 |
| (1) | H4-1 | 8.3 (0 -0.2) | 1.5 | 2.2 (0 +0.2) | 2.0 | 1.5 | |
| (2) | H4-2 | 8.4 (0 -0.2) | 1.2 | 1.8 (0 +0.2) | 1.6 | 1.6 | |
| (3) | H4-3 | 8.8 (0 -0.2) | 1.2 | 1.8 (0 +0.2) | 1.6 | 1.6 | |
| (4) | H4-4 | 9.2 (0 -0.2) | 1.2 | 1.7 (0 +0.2) | 1.6 | 1.6 | |
| (5) | H4-5 | 9.5 (0 -0.2) | 1.2 | 1.7 (0 +0.2) | 1.5 | 1.5 | |
| (6) | H4-6 | 11.0 (0 -0.2) | 1.2 | 1.8 (0 +0.2) | 1.6 | 1.6 | |
| M5 | (0) | H5-0 | 10.4 (0 -0.2) | 1.6 | 2.2 (0 +0.2) | 1.8 | 1.8 |
| (1) | H5-1 | 12.0 (0 -0.2) | 1.6 | 2.2 (0 +0.2) | 2.0 | 1.5 |
| スパック寸法 | ||||||||
|---|---|---|---|---|---|---|---|---|
| 呼び径 | 外径(φD) | 内径(φd) | 巾(b) | 板厚(t) | 高さ(H) | |||
| 最大 | 基準寸法 | 許容差 | 基準寸法 | 許容差 | 基準寸法 | 許容差 | ||
| 3 | 5.5 | 2.65 | +0.18 0 |
1.3 | +-0.1 | 0.7 | +-0.1 | 1.00~1.20 |
| 3.5 | 5.9 | 3.06 | +0.23 0 |
|||||
| 4 | 6.9 | 3.53 | 1.5 | 0.8 | 1.05~1.35 | |||
| 5 | 8.5 | 4.5 | +0.26 0 |
1.8 | 1.0 | 1.35~1.65 | ||
| 呼び | ネジクル 角座番号 |
メーカー 角座番号 |
D | t | H |
|---|---|---|---|---|---|
| M3 | (0) | K3-0 | 6.4 (0 -0.2) | 1 | 1.4 (0 +0.2) |
| M4 | (0) | K4-0 | 8.0 (0 -0.2) | 1.2 | 1.7 (0 +0.2) |
